近年来,LED显示屏应用迅速发展,推动LED驱动IC的进步。基于对LED的高可靠性以及亮度和色度一致性的考虑,通常要对LED进行恒流驱动。
用于LED显示屏的恒流驱动电路主要存在三个设计要点:①驱动电流可通过单一外接电阻设定。②最大限度降低恒流工作电压。这里,恒流工作电压指使输出电流恒定时的内部电路压降,该压降小则电路功耗低。③恒流输出可由数字信号控制,响应速度要快,以满足采用PWM技术动态调光或高速扫描应用的需要。文中给出了一种使驱动MOS管在线性区实现恒流的控制方法,且不需要在源极串联反馈电阻,有效降低了恒流工作电压。在此基础上,给出了满足以上三方面要求的完整控制电路。
2 恒流驱动电路设计
恒流驱动模块是整个控制电路设计核心,决定整体电路的恒流特性。针对此模块给出三种方案。具体电路结构如图1所示。图中电流I_rset只受控于外接电阻Rset,当Rset不变时,此电流恒定。Vcc是电路的外接电压,用来为LED供电。


(C)拟合工作区的恒流模块
图1 电路结构
2.1 基于MOS管饱和区恒流特性的恒流模块
这种结构采用简单的恒流方式,常应用于大功率LED照明电路,结构如图1(a)所示。电路利用M1实现恒流驱动。外接电压Vcc的增大使得M1进入饱和区,利用运放保证M1栅电压保持不变。工作于饱和区的M0与M1的共栅连接方式使得流经它们的电流满足线性比例关系且电流恒定,比例系数取决于两者的宽长比的比值。这种恒流模式完全依赖于MOS管的栅电压并且恒流工作电压(VDS1)至少要满足M1管饱和导通,因此结构对于LED显示电路来说功耗大。
2.2 基于电流负反馈的恒流模块
为减小电路功耗,采用负反馈结构实现恒流输出。电路结构如图1(b)。当电路由于某一原因导致M0的漏电流增加时,增加的电流通过R1作用反馈到运放的反相端,负反馈结构会使得M0的栅压降低,使M0上漏电流减小,从而实现动态平衡,保证M0的漏电流恒定不变,反之亦然。这样的恒流方式降低了恒流工作电压,电路功耗小。动态平衡方式很好的实现了恒流输出,恒流特性好。负反馈结构使得驱动电流Iout与I_rset之间满足线性比列关系,比例系数取决于R0与R1的阻值比。
该结构存在一些不足:①R1不宜过大,否则R1上压降过高,产生较大功耗。②R1不宜过小,否则会导致反馈电压过小,反馈电压信噪比低,电路性能不稳定。R1设置在几个欧姆为宜,对于电阻的精确要求使得版图设计相对困难,对工艺的要求较高。③反馈电阻的存在就不可避免的在R1上产生一定的压降,造成集成电路内部功耗的增加。
2.3 拟合工作区的恒流驱动模块
为避免反馈电阻存在的问题,采用图1(c)结构,负反馈取样点在M1漏端。同时为最大限度的降低恒流工作电压需实现MOS管在线性区可以恒流输出。这种方式将线性区恒流输出曲线与饱和区恒流输出特性曲线拟合成一条曲线,得到驱动电流的恒流输出曲线恒流特性好,恒流工作电压低。
MOS管漏电流ID在不同工作区满足关系式:
MOS管处于饱和区:

当V DS 《 VGS - V THN时, MOS 管处于线性区:

若某一原因导致运放同相端输入电压增大,会使得M0栅电压增加。而I_rset对于固定的外设电阻是恒定的,故M0的漏电压减小,从而M1的栅电压减小,漏电压增加,即运放的反相端电压也随之增加,反之亦然。这一结构保证运放的同相端和反相端输入电压始终保持相等,即保证M1和M2的漏电压相等。同时M1和M2的共栅连接方式使得两者的栅电压相等。由式(1)、(2)可以看出,只要保证M1和M2的栅、漏电压均相等,驱动电流Iout与I_rset就会满足一个线性的比例关系,比例系数依赖于M1和M2的宽长比的比值。而对于一个固定的外设电阻,I_rset是固定不变的,电路可以利用此关系在M2尚处于线性区时就可以恒流输出,显着的降低恒流输出的工作电压。这一结构要求电路中的运放的线性区的工作范围宽,即保证在M2处于线性区时,运放一直能够正常放大,保证M1和M2的漏源电压相等。当同相端的增加量使得运算放大器已经进入到饱和区时,尽管反馈结构不再起作用,但M2已经可以利用饱和区恒流特性实现恒流输出,I_reST不变使得饱和区的恒流值与线性区一致,两个工作区的曲线拟合在一起,形成最终的恒流输出曲线。
三种结构的恒流工作电压和驱动电流最大误差如表1所示。三种结构的I_rset均是同一简单电流镜产生的1mA电流,驱动电流与I_rset的比例关系均设置为1:50,外接电压的工作范围均为0V~5V.
表1 三种结构恒流工作电压及驱动电流最大误差比较

可以看出,图1中(c)的结构可以实现显着降低恒流工作电压的目的。总体电路中的恒流驱动模块采用该结构。
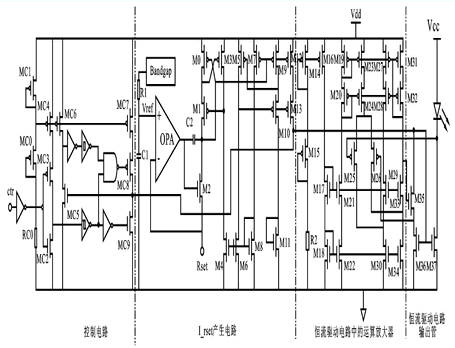
LED恒流驱动的总体电路如图2所示,图中控制电路部分用于控制是否有恒流输出。ctr信号是外接PWM数字信号,可以实现对LED的调光控制。
整个控制模块利用施密特触发器实现电平的准确翻转,通过逻辑门作用于MC8、MC9.这两个MOS管在控制信号发生翻转时迅速将电平拉高或拉低,实现了对控制信号控制功能的加速作用,电路的响应速度快。当ctr信号为高时输出禁止,ctr信号为低时输出允许,从而实现利用外部的PWM信号实现调光功能。I_rset产生电路要实现通过外设电阻Rset对I_rest大小的控制,并且对与固定的Rset可以恒流输出。利用带隙电压源产生一个基准电压,利用运放实现基准电压到基准电流的转换。将运放的反相端连接到外设电阻Rset就实现了转换的电流大小受控于Rset.通过后续电路将电流适当放大,最终给出I_rset.总体电路利用确立好的恒流驱动模块实现恒流输出。

图2 恒流驱动电路总图
3 仿真测试结果
采用图2电路结构,基于CSMC0.5umBCD工艺库进行LED恒流驱动电路仿真。电路实现了恒流工作电压低,驱动电流大小可以由外部电阻调节,并且外部数字信号对驱动电流具有使能控制功能,响应速度快的目的。
控制ctr信号变化时驱动电流变化情况如图3.
结果显示ctr对驱动电流具有输出使能控制作用,测量得到控制信号ctr响应时间仅为7ns.

图3 驱动电流随控制信号变化情况
不同外接电阻下恒流输出特性曲线如图4.阻值由200Ω~1300Ω时,驱动电流变化范围是14.5mA~91.5mA,输出恒流为91.5mA时,恒流工作电压仅为0.38V.分析时Vcc由0V到5V变化,驱动电流变化保持在5.5%以内,负载电路的增加使得恒流结构的恒流精度与先前相比有所降低。
设置Rset为500Ω、Vcc为3V,令5V电源电压产生±10%的波动,此时恒流输出情况如图5.驱动电流由37.8mA变化到38.5mA,波动百分比为1. 85%。

图4 外接电阻变化时,恒流输出特性曲线

图5 驱动电流随电源电压变化曲线
设置Rset为500Ω、Vcc为3V,令电路工作的环境温度为25℃~85℃时,恒流输出情况如图6.驱动电流由37.3mA变化到38.1mA,波动百分比2.14%.

图6 驱动电流随温度变化曲线
4 结束语
文中给出一种LED恒流驱动电路,可用于LED显示屏。利用电流负反馈结构并拟合工作区,电路恒流工作电压低,同时实现外部数字信号的使能控制,控制信号响应速度快,可用于实现PWM数字调光。驱动电流大小可以有外接电阻实现控制。仿真显示,电路5V的电源电压波动±10%时,驱动电流波动小于1.85%.环境温度在25℃~85℃时,驱动电流变化2.14%.驱动电流为91.5mA时,恒流工作电压仅为0.38V.电路驱动电流可由外接信号实现输出使能控制,响应时间为7ns.驱动电流大小通过外接电阻设置实现,设置范围200Ω~1300Ω,对应驱动电流变化范围是14.5mA~91.5mA.